SHURE - PA821A
Combineur d'antennes 8 entrées, pour systèmes Ear-Monitor sans fil gamme PSM
- Codart : PA821A
- Dimensions unitaires : 43,4 x 398,8 x 331,5 mm
- Poids unitaire : 4,53 kg
- Dimensions en flight-case (X1) : … x … x … cm
- Poids en flight-case (X1) : … kg
Documents à télécharger
Détails produit
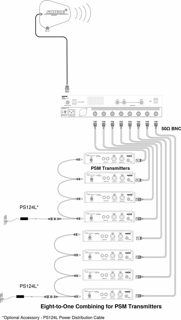
Le combineur d’antenne PA821A est le dernier solutionneur de problèmes dans le fonctionnement simultané de nombreux PSM et microphones sans fil sur un site. Comme bande large active le combineur PA821A offre avec 8 entrées et une sortie une amélioration substantielle dans la qualité de réception et peut au maximum combiner huit émetteurs sans fil dans une antenne interne. Cela réduit la déformation d’intermodulation et évite également les dropouts grâce à l’interférence multipath.
Le PA821A est compatible avec les systèmes suivants in-Ear sans fil de Shure: PSM 400, PSM 600, PSM 700, PSM 900 et 1000 PSM. Le PA821A peut également être utilisé avec d’autres émetteurs in-ear et / ou combineurs d’antennes avec combineur intégré passif avec deux entrées et une sortie.
- Combine au maximum huit émetteurs PSM sur une antenne interne pour un réseau TF amélioré; bruit de fond réduit.
- Ventilateur plus silencieux pour une importante réduction du bruit environnemental – surtout désiré au moment de l’installation.
- Appareil de ventilation sensible à la température qui garantit une importante baisse de la température dans le PA821A.
- 8 Signaux d’entrée LED (vert quand actif; déconnecté quand inactif)
- Plage de fréquences RF : 470-952 MHz
- Gain système : +0/-5 dB
- Conditions de tension : 100-240 V c.a., 50/60 Hz
- Puissance maximale d’entrée de ligne : 120 W
- Consommation de courant maximum : 0,42-1,0 Ampères (Ampères = 100 VA/Tension d’entrée de ligne c.a.)
- Entrée RF Maximum absolue : 24 dBm (250 mW) par canal
- Seuil indicateur de signal d’entrée : +4 dBm (2,5 mW), +2 dBm (1,6 mW) typique
- Impédance : 50 Ω nominal
- Plage de températures de fonctionnement : 0° F (-18° C) to +135° F (+57° C) REMARQUE : L’homologation de sécurité électrique est basée sur une température ambiante maximale de 30° C.
- Type de connecteurs entrée/sortie : entrée BNC-type 8, 1 sortie ACTIVE, 2 entrées, 1 sortie PORT D’EXTENSION PORT

