Site agence Novelty Paris

Gis - LP500 D8+

Palan électrique charge 500kg, chaîne 20m, vitesse 4m/mn, double frein (D8+)
Propriétés techniques
  • Poids unitaire : 24 kg (sans chaines)
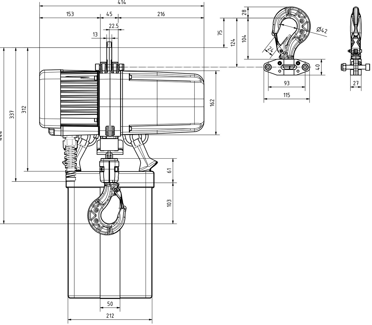
  • Dimensions unitaires : 414 x 293 x 519 mm
  • Dimensions en flight-case (X2) : … x … x … cm
  • Poids en flight-case (X2) : … kg
  • Poids unitaire : 38 kg (chaine 20m)

Documents à télécharger

Détails produit

Le LP500 du fabricant suisse GIS est une nouvelle génération de palans électriques à chaîne dédiée au monde du spectacle et de la scène. 4ème génération de palans GIS, elle innove en offrant une capacité accrue dans un format plus compact, une protection IP65 et une compatibilité D8+. En effet, une fois équipé d’un double frein, le LP500 a une capacité de charge de 500 kg en D8+ pour un poids à nu de 23 kg. Il existe aussi des versions BGV-C1.?

Le LP500 est un palan polyvalent pouvant répondre à de nombreux besoins. Doté d’une protection IP65, il convient parfaitement aux événements extérieurs comme les concerts en plein air ou les manifestations sportives. Il est aussi adapté aux salons et conférences qui demandent souvent un bon rapport poids/capacité de charge en raison de leurs points d’accroche qui tolèrent généralement une charge moins élevée que les salles de concert et les stades.

Conforme à la norme d8 plus* il peut ainsi être utilisé en Allemagne et dans d’autres pays européens suivant ce standard (Pays-Bas, Suisse…) sans contrainte. Les palans conforme à la norme d8+ peuvent ainsi se passer d’une seconde sécurité une fois l’installation montée, contrairement aux normes françaises qui requièrent systématiquement une mise en sécurité par un élingue ou autre.

C’est un atout certain pour les prestataires qui opèrent à l’échelle européenne et qui facilite grandement la gestion d’un tel parc de palan. Quel que soit le type d’événement, le GIS LP500 pourra être utilisé en toute tranquillité, qu’il s’agisse d’une tournée européenne, d’un salon en Allemagne ou d’un événement extérieur.

Comme tous nos palans électriques, le LP500 est conçu pour la scène et peut s’utiliser en palan stationnaire ou grimpant, autrement dit « tête en haut ou tête en bas » grâce à son sac à chaîne réversible. En configuration grimpante, la plus fréquente pour les événements temporaires, le palan est accroché à la charge et se hisse lors du levage de celle-ci, plutôt que de devoir être monté et accroché aux structures au préalable.

Caractéristiques du moteur

  • Capacité de charge : 800 kg en D8 / 500 kg en D8+
  • Vitesse de levage : 4 m/min ou 8m/min
  • Classe FEM : 1Bm
  • Classe d’isolation : F
  • Niveau sonore en fonctionnement : 60 dBA à 1m
  • Puissance du moteur : 0.55 kW en version 4m/min ou 0.72 kW en version 8m/min

Caractéristique de la chaîne

  • Dimensions de la chaîne : 5.25 x 15mm
  • Poids approx. de la chaîne : 0.69 kg par mètre

Caractéristiques électriques du palan

  • Consommation (pleine charge) : 1.8 A

Caractéristiques physiques

  • Classe IP : IP65

Caractéristiques du crochet

  • Ouverture du crochet : 24 mm
Nous contacter

Vous avez un projet ou une question ?

Nos équipes sont prêtes à répondre à vos besoins et à concrétiser vos projets. Contactez votre agence locale ou laissez-nous un message, nous serons ravis de vous accompagner.

Contactez-nous