Ensemble d'accroche 1côté pour série 300 carré sur poutre IPN type HEB, CMU 150 kg
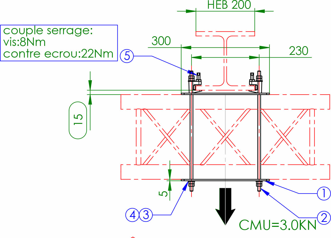
Ensemble d'accroche double pour série 300 carré sur poutre IPN type HEB240, CMU 300kg
Ensemble d'accroche double pour série 300 carré sur poutre IPN type HEB180, CMU 300kg
Fixation murale acier pour structure carré ou triangulaire série 300, charge 560kg, déport 0,40m
Ensemble d'accroche double pour série 300 carré sur poutre IPN type HEB160, CMU 300kg
Adaptation pour pieds de levage
Praticables 1,5m x 1m, (jeux de 4 pieds de 20, 40, 60 et 80cm en option)
Embase pour tube Ø50mm, Ø=40cm h=33cm, blanche
Tour de levage, pied série 400 carré, noire, haut. max. 11m, haut. utile 10,30m, charge 2t. Chariot 4 départs 500 triangulaire et carré, adaptateur pour départ 400 carré
Accroche de type "ceinture" métallique pour poteau Ø150-155mm, charge 150kg
Nos équipes sont prêtes à répondre à vos besoins et à concrétiser vos projets. Contactez votre agence locale ou laissez-nous un message, nous serons ravis de vous accompagner.